Precíziós satu 160 mm - Mitutoyo 930-601
Precíziós satu menetes orsóval
- Ötvözött szerszámacélból, edzve és köszörülve.
- Vízszintes köszörült prizmával a mozgópofán.
| Kategória: | Satuk és állítható szögű v-blokkok |
|---|---|
| Tartomány: | 80 mm |
| rendelési szám: | 930-601 |
• Párhuzamosság: 0.002 mm / 100 mm
• Merőlegesség: 0.005 mm / 100 mm
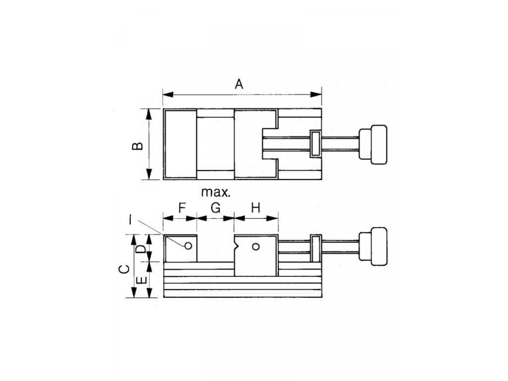
• Méretek: A – 160 mm, B – 70 mm, C – 62 mm, D – 30 mm, E – 32 mm, F – 33 mm, G – 80 mm, H – 45 mm, I – M6 mm
• Tömeg: 4 kg
Beszélgetés
Legyen az első, aki véleményt ír ehhez a tételhez!
